https://www.youtube.com/watch?v=8jEdvdnJQro
Este proyecto se compone de dos partes principales, el cuadro de acceso y la centralita.
Primera Parte.
Diagrama de Gantt:
Diagrama de estado con el programa ClickCharts.
Empezaré describiendo el cuadro de acceso.
Componentes:
Atmega328p.
-2 condensadores cerámicos.
-2 condensadores electrolíticos.
-4 resistencias.
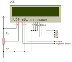
Display LCD 16x2.
- VSS que es el pin de negativo o masa o 0 volts o GND.
- VDD es la alimentación principal de la pantalla y el chip, lleva 5 voltios (recomendable ponerle en serie una resistencia para evitar daños, con una de 220 ohmnios es suficiente).
- VO es el contraste de la pantalla, debe conectarse con un potenciometro de unos 10k ohms o una resistencia fija una vez que encontremos el valor deseado de contraste. Tengan en cuenta que si no conectan esto, no verán nada.
- RS es el selector de registro (el microcontrolador le comunica a la LCD si quiere mostrar caracteres o si lo que quiere es enviar comandos de control, como cambiar posición del cursor o borrar la pantalla, por ejemplo).
- RW es el pin que comanda la lectura/escritura. En nuestro caso siempre estará en 0 (conectado a GND) para que escriba en todo momento.
- E es enable, habilita la pantalla para recibir información.
- D0~D3 no los vamos a utilizar. Como pueden ver la pantalla tiene un bus de datos de 8 bits, de D0 a D7. Nosotros solamente utilizaremos 4 bits, de D4 a D7, que nos servirán para establecer las líneas de comunicación por donde se transfieren los datos.
- A y K son los pines del led de la luz de fondo de la pantalla. A se conectará a 4 o 5 volts y K a gnd.
Teclado 4x4
Como se puede ver en el esquema del teclado, cuatro pines corresponde a las filas y cuatro a las columnas.
Primero la entrada la obtendremos de un adaptador que podrá ser entre 7--15v.
Con el 7805 nos aseguraremos de tener 5v constantes en nuestra entrada del circuito, los condensadores mejoraran el rechazo del rizado antes del 7805, el condensador de después se pone con el propósito de mejorar la respuesta a transitorios.
Leds.
Así quedaría el diseño de la placa.
Programación del Arduino en esta placa. (Voy a proceder a explicar los puntos esenciales de la programación pero no el código entero).
Establezco todas las variables necesarias:
Resultado final:
Segunda parte.
Centralita.
Componentes.
-Atmega 328p (Explicado en la primera parte)
-Regulador de tensión 7805 (Explicado en la primera parte)
-Módulo GSM.
El cableado de este módulo es muy simple, se compone de un bloque de alimentación con una fuente conmutada de entre 8-12v aproximadamente, y otros pines de Vcc, Gnd, Tx y Rx. para su conexión en Serie.
-3 Sensores PIR
Es un sensor electrónico que mide la luz infrarroja IR radiada de los objetos situados en su campo de visión.
-TCRT5000
Se compone de dos partes, de un emisor de luz infrarroja, y un fototransistor.
Peak operating distance: 2.5 mm
Emitter wavelength: 950 nm
Las resistencias que acompañan este sensor las he puesto SMD,
Placa del sensor IR.
- Circuito de activación de alarma sonora.
Compuesto por:
Transistor 2n3904 y relé 12V
-Bloques de conexión.
Diseño de la centralita:
Programación del Arduino de la centralita:
Esta es la parte esencial del código en Arduino, básicamente le estoy diciendo, que si recibe un '1' lo primero que va a hacer es hacer una llamada (Comandos AT), cuando termine se va a meter en un Do-While que estará continuamente chequeando PIR1,PIR2,PIR3 y A0 que son los sensores, si IF detecta algún movimiento de ellos, me activé el relé y me haga una llamada perdida al movil, asi una y otra vez, hasta que reciba un '2' y se salga del bucle, desconectando la alarma.
Todo cableado:
Así quedara la placa:
Aunque no sale en el video, he creado una aplicación con appinventor para imitar el teclado y conectar la centralita con BlueTooth.
Como la conexión es TxRx, se usarían los mismos pines del arduino sin necesitar modificar nada del código.
Y esta sería la aplicación en App inventor:
Interfaz:
Buscar dispositivos enlazados al móvil y al hacer click en Conectar(ConectBT)
Ahora, si pulsas el boton 1, une el texto "1", al global code, asi con todos los números, el código se irá almacenando en global code. Si IF se pulsa Checkbox==Ocultar contraseña, en pantalla en vez de verse los números, se verán ***** como si estuviesemos ocultando el código en pantalla. Esto se repite con el resto de números del teclado.
Y por último, cuando se pulse Button17== Enviar Código, si y solo si el global code almacenado coincide con el código de activación o desactivación enviará "" un texto, que es el que tendremos también en arduino para conectar y desconectar el sistema.
Fin.












.png)























No hay comentarios:
Publicar un comentario